武汉qm楼凤论坛最新消息,一品楼南京论坛,上海品茶工作室口碑评价

伊本气动有限公司

地址:浙江省乐清市柳市镇黄七甲工业区
电话:0577-62777889
传真:0577-62777880
网址:soulouyun.cn
邮箱:ibn@ybyypc.com
         sale1@ybyypc.com

 

 
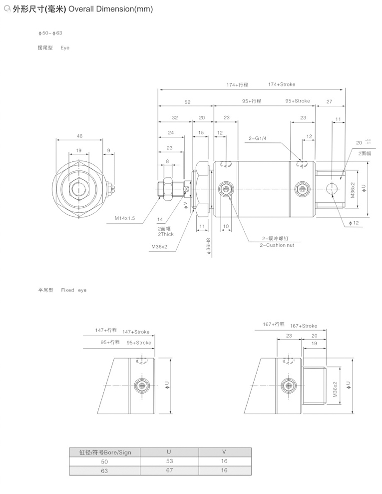
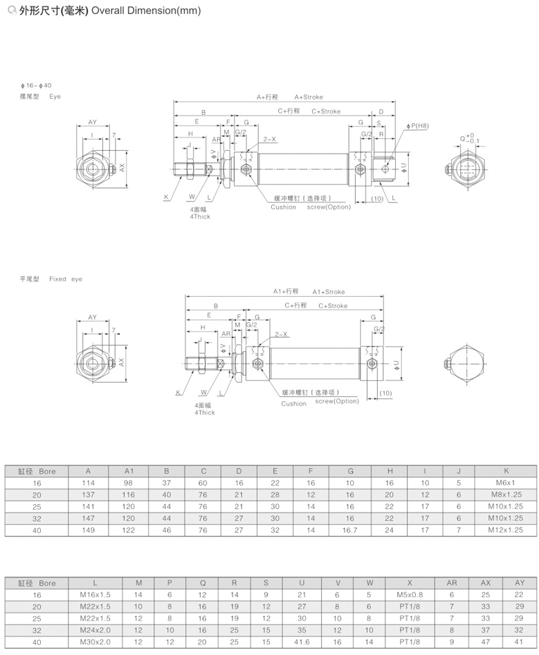
当前位置首页产品中心执行元件系列不锈钢迷你气缸

MA系列不锈钢迷你气缸

 

 

主站蜘蛛池模板: 曲阳县| 绿春县| 林西县| 恭城| 达尔| 驻马店市| 云安县| 盘锦市| 桂东县| 沧州市| 太康县| 靖边县| 余江县| 阿拉善左旗| 任丘市| 泰安市| 堆龙德庆县| 龙江县| 凤阳县| 讷河市| 林芝县| 上饶市| 贵南县| 武冈市| 昌江| 锡林郭勒盟| 二连浩特市| 安宁市| 固安县| 山西省| 秦安县| 彭阳县| 镇巴县| 慈溪市| 民丰县| 龙海市| 都兰县| 灵川县| 汕尾市| 朝阳县| 乌拉特后旗|