武汉qm楼凤论坛最新消息,一品楼南京论坛,上海品茶工作室口碑评价

伊本气动有限公司

地址:浙江省乐清市柳市镇黄七甲工业区
电话:0577-62777889
传真:0577-62777880
网址:soulouyun.cn
邮箱:ibn@ybyypc.com
         sale1@ybyypc.com

 

 
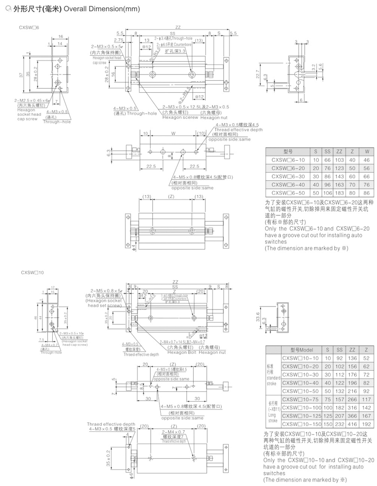
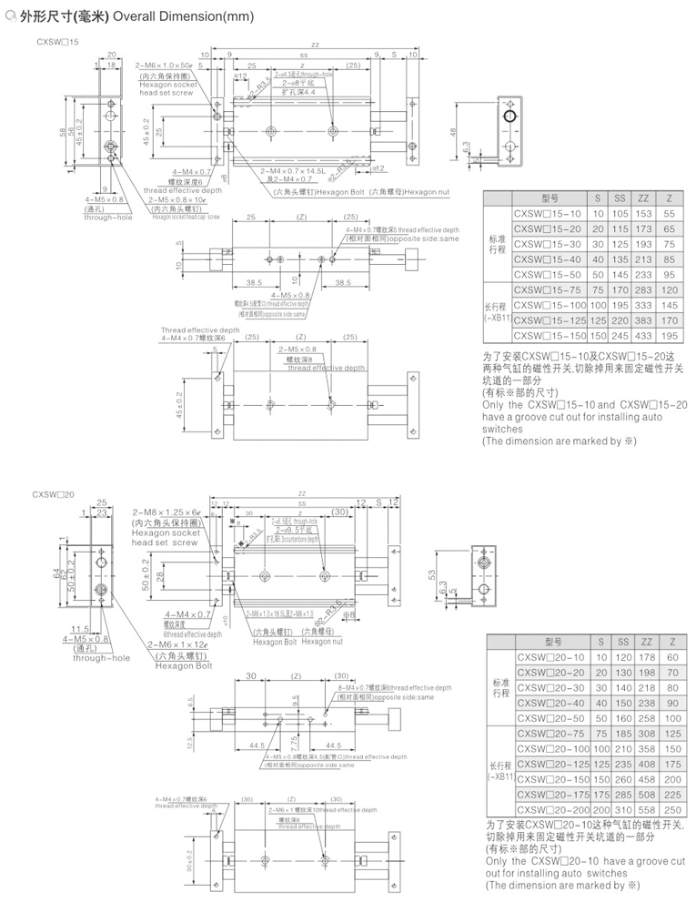
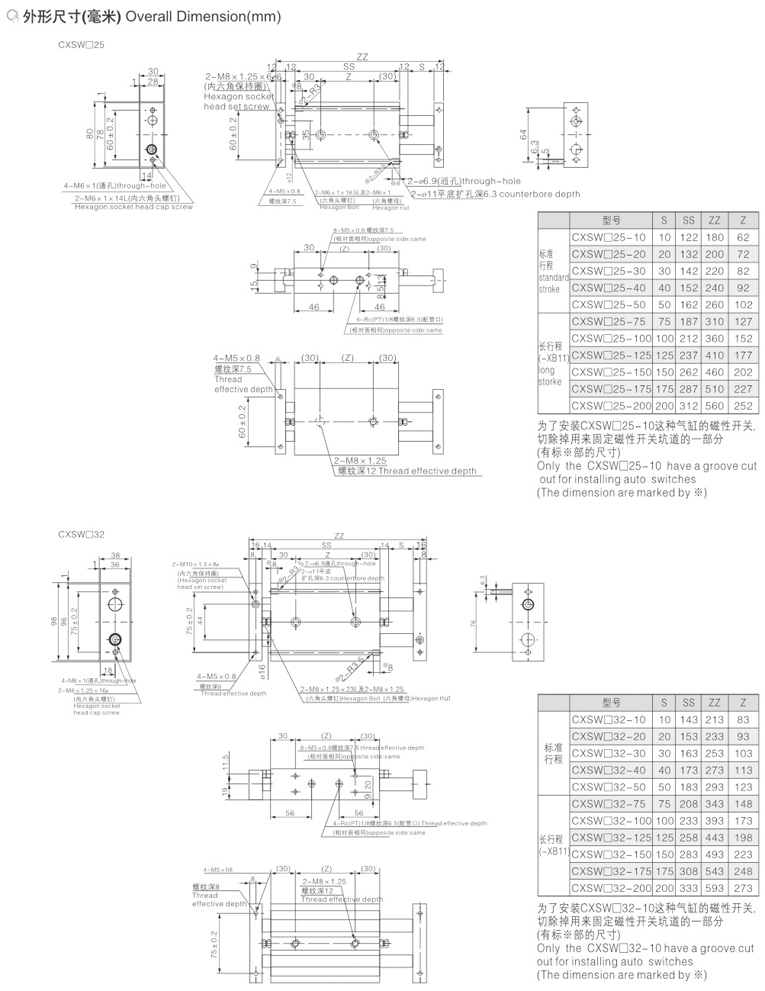
当前位置首页产品中心执行元件系列双轴气缸

CXSW系列双轴气缸

 

 

 

主站蜘蛛池模板: 顺昌县| 湟源县| 砀山县| 莱阳市| 临潭县| 罗甸县| 宣化县| 浦县| 碌曲县| 哈密市| 神池县| 长乐市| 兴化市| 梁山县| 历史| 绥德县| 专栏| 德钦县| 满洲里市| 出国| 黔西县| 贵溪市| 合江县| 木兰县| 枣阳市| 吴旗县| 鄂伦春自治旗| 海门市| 东明县| 漯河市| 平远县| 兴山县| 太原市| 东源县| 新安县| 宣威市| 改则县| 云林县| 桃江县| 综艺| 苗栗县|